Product Introduction:
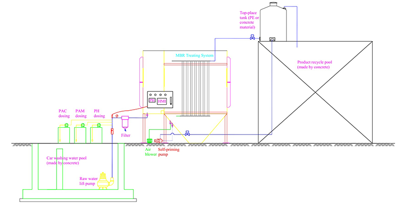
CWT series equipment of car washing wastewater treatment for reuse is suitable for various civilian or commercial car washing. Adopt Membrane Bio-Reactor technology, which has the function of degreasing and dephosphorization. Membrane module is the core component of membrane bioreactor, as the diaphragm aperture is 0.2-0.4μm, which can effectively remove the organic matter, microorganism, granular impurities, suspended solids in the water, etc. After treatment the output water can meet the requirement of reuse.
Features:
1. Automatic control, stable operation, no particular operator required.
2. Small investment, less occupation area, low power consumption, low processing costs.
3. Output water quality is clear and transparent, colorless and odorless.
Process Advantages:
Compared with the conventional "quartz sand + activated carbon filtration" or "quartz sand + activated carbon + reverse osmosis filtration" process, the MBR process does not have high requirements on the quality of the incoming water. Through the pretreatment precipitation process and a certain agent, it can be preliminary remove large particles and oil in water to meet pretreatment standards. After the final treatment of our MBR equipment, the effluent water quality index can reach the quality for car washing water, the COD can be reduced to less than 50. The effluent can be used for car washing, greening and watering.
Quality Standard of Input & Output Water:
| Item | Raw water | Output water | Removal rate | Standard |
| PH | 6.5-9 | 6.5-9 | 6.5-9 | |
| Turbidity (degrees) | ≤100 | 5 | 95% | 30 |
| BOD5(mg/L) | ≤50 | ≤10 | 80% | 10 |
| COD(mg/L) | ≤150 | ≤20 | 87% | 50 |
| Suspended solids (mg/L) | ≤500 | 5 | 99% | 5 |
| Odor | have | Non-unpleasant | Non-unpleasant | |
| Anionic synthetic detergents(mg/L) | ≤100 | 1 | 99% | 1 |
| Total coliform bacteria (pc/L) | ≤1000 | 0 | 99.99% | 3 |
| Model | Capacity (m3/d) | Pool size (cm) | Control panel size (cm) | Power (kw/hr) | Main parts |
| CWT-3 | 3 | 100×80×250 | 70×40×170 | 1.0 | MBR membrane: 1set; Air blower: 2sets; Pump: 2sets; Dosing pump: 3sets |
| CWT-5 | 5 | 120×100×250 | 70×40×170 | 1.0 | MBR membrane: 1set; Air blower: 2sets; Pump: 2sets; Dosing pump: 3sets |
| CWT-8 | 8 | 120×100×300 | 70×40×170 | 1.25 | MBR membrane: 1set; Air blower: 2sets; Pump: 2sets; Dosing pump: 3sets |
| CWT-10 | 10 | 140×120×350 | 70×40×170 | 1.25 | MBR membrane: 1set; Air blower: 2sets; Pump: 2sets; Dosing pump: 3sets |
| CWT-15 | 15 | 160×140×350 | 70×40×170 | 1.5 | MBR membrane: 1set; Air blower: 2sets; Pump: 2sets; Dosing pump: 3sets |
| CWT-20 | 20 | 180×160×350 | 70×40×170 | 1.5 | MBR membrane: 1set; Air blower: 2sets; Pump: 2sets; Dosing pump: 3sets |
| CWT-25 | 25 | 200×180×350 | 70×40×200 | 1.75 | MBR membrane: 1set; Air blower: 4sets; Pump: 2sets; Dosing pump: 3sets |
| CWT-30 | 30 | 200×180×400 | 70×40×200 | 1.75 | MBR membrane: 1set; Air blower: 4sets; Pump: 2sets; Dosing pump: 3sets |
| CWT-40 | 40 | 200×200×500 | 70×40×200 | 2.2 | MBR membrane: 1set; Air blower: 6sets; Pump: 2sets; Dosing pump: 3sets |
| CWT-50 | 50 | 220×200×580 | 70×40×200 | 2.2 | MBR membrane: 1set; Air blower: 6sets; Pump: 2sets; Dosing pump: 3sets |
